Filtrační čerpadlo sWP 20; 1,1 kW - RAPID X20
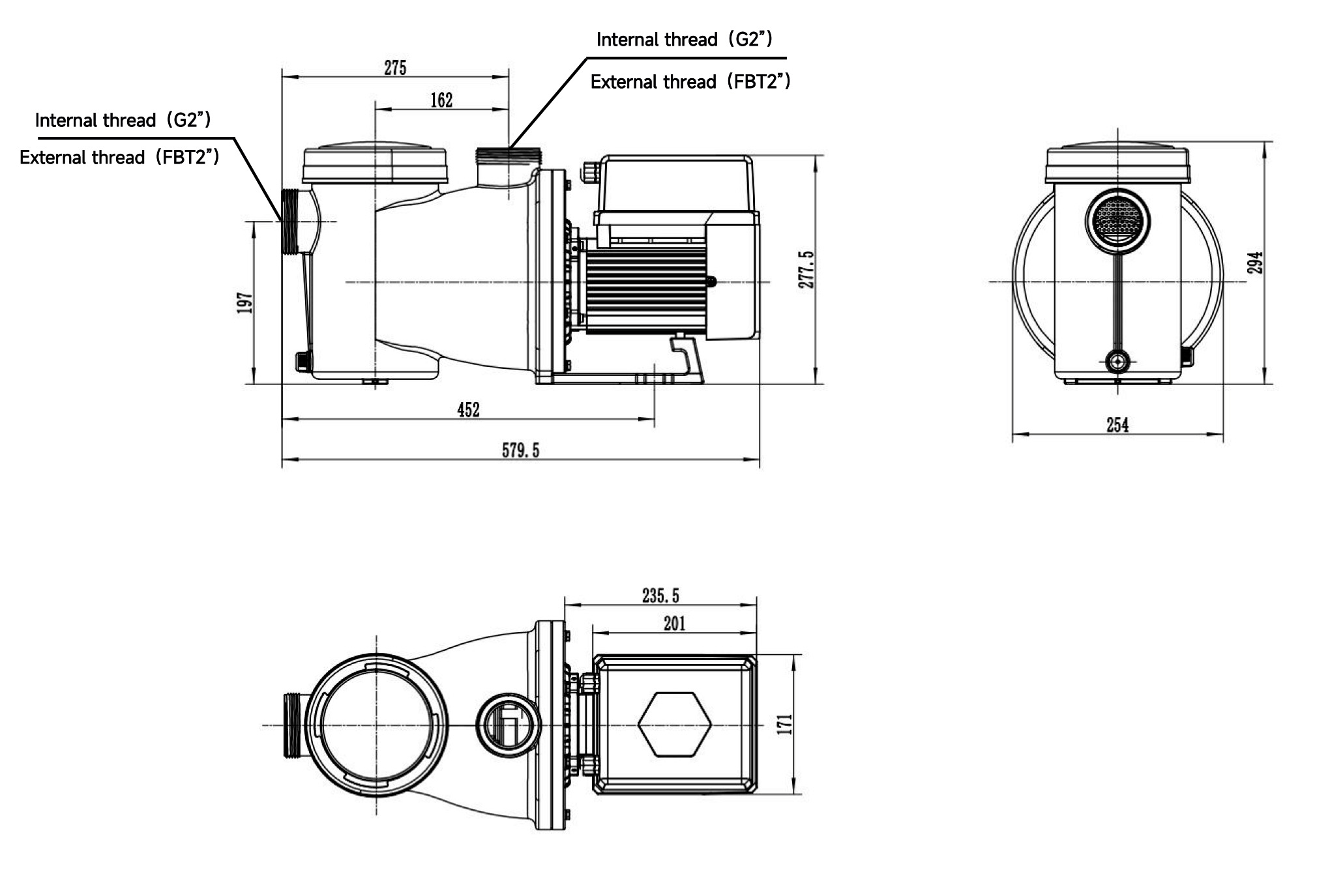
Filtrační čerpadlo s frekvenčím měničem; Krytí motoru: IP55; Výkon: 0,9 kW; Otáčky: 880 - 3 220 ot./min; Průtok: 19,5 m3/h; Příkon: 1,1 kW; Napětí: 230 V; Napojení sání / výtlak - lepení: 63/63 mm; Napojení sání / výtlak - závit: 2 / 2 "ex
| Cena s DPH: | 23 312,50 CZK / Ks |
| Cena bez DPH: | 19 266,53 CZK / Ks |
Skladem >100 Ks
| ID položky: | 573SWP020 |
| Kategorie: |
Bazénová čerpadla nad 12 m3/h |
