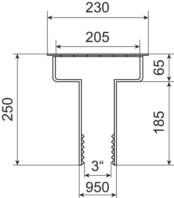
Sáni VAMILA pro atrakce, nerez
Barva: Nerez; Napojení (int.): 3 "in
| Cena s DPH: | 12 314,00 CZK / Ks |
| Cena bez DPH: | 10 176,86 CZK / Ks |
Skladem 0 Ks
| ID položky: | 3102711 |
| Kategorie: |
Sání Příslušenství k protiproudům |
